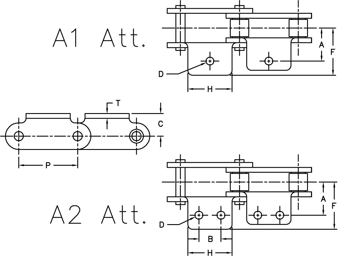
Double Pitch Bent, One Side Attachment
Precision Roller Chain Attachments
Dimensions are given in inches.
1 2
Item # |
Type |
Pitch (P) |
From Hole C.L. to Chain C.L. (A) |
From Hole C.L. to Hole C.L. (B) |
From Top to Pin C.L. (C) |
Hole Diameter (D) |
|---|---|---|---|---|---|---|
| C2040 A-1 C2040 A-1/Asset/a1058.jpg | Type N/A One Side, One Hole, Standard Roller | Pitch (P) N/A 1.000 | From Hole C.L. to Chain C.L. (A) N/A 0.500 | From Hole C.L. to Hole C.L. (B) N/A 0.375 | From Top to Pin C.L. (C) N/A 0.359 | Hole Diameter (D) N/A 0.140 |
| C2050 A-1 C2050 A-1/Asset/a1058.jpg | Type N/A One Side, One Hole, Standard Roller | Pitch (P) N/A 1.250 | From Hole C.L. to Chain C.L. (A) N/A 0.625 | From Hole C.L. to Hole C.L. (B) N/A 0.469 | From Top to Pin C.L. (C) N/A 0.438 | Hole Diameter (D) N/A 0.203 |
| C2060H A-1 C2060H A-1/Asset/a1058.jpg | Type N/A One Side, One Hole, Standard Roller | Pitch (P) N/A 1.50 | From Hole C.L. to Chain C.L. (A) N/A 0.844 | From Hole C.L. to Hole C.L. (B) N/A 0.562 | From Top to Pin C.L. (C) N/A 0.578 | Hole Diameter (D) N/A 0.203 |
| C2080H A-1 C2080H A-1/Asset/a1058.jpg | Type N/A One Side, One Hole, Standard Roller | Pitch (P) N/A 2.00 | From Hole C.L. to Chain C.L. (A) N/A 1.094 | From Hole C.L. to Hole C.L. (B) N/A 0.750 | From Top to Pin C.L. (C) N/A 0.750 | Hole Diameter (D) N/A 0.265 |
| C2100H A-1 C2100H A-1/Asset/a1058.jpg | Type N/A One Side, One Hole, Standard Roller | Pitch (P) N/A 2.500 | From Hole C.L. to Chain C.L. (A) N/A 1.312 | From Hole C.L. to Hole C.L. (B) N/A 0.938 | From Top to Pin C.L. (C) N/A 0.922 | Hole Diameter (D) N/A 0.328 |
| C2120H A-1 C2120H A-1/Asset/a1058.jpg | Type N/A One Side, One Hole, Standard Roller | Pitch (P) N/A 3.000 | From Hole C.L. to Chain C.L. (A) N/A 1.562 | From Hole C.L. to Hole C.L. (B) N/A 1.126 | From Top to Pin C.L. (C) N/A 1.094 | Hole Diameter (D) N/A 0.390 |
| C2160H A-1 C2160H A-1/Asset/a1058.jpg | Type N/A One Side, One Hole, Standard Roller | Pitch (P) N/A 4.000 | From Hole C.L. to Chain C.L. (A) N/A 2.063 | From Hole C.L. to Hole C.L. (B) N/A 1.501 | From Top to Pin C.L. (C) N/A 1.439 | Hole Diameter (D) N/A 0.521 |
| C2042 A-1 C2042 A-1/Asset/a1058.jpg | Type N/A One Side, One Hole, Large Size Roller | Pitch (P) N/A 1.000 | From Hole C.L. to Chain C.L. (A) N/A 0.500 | From Hole C.L. to Hole C.L. (B) N/A 0.375 | From Top to Pin C.L. (C) N/A 0.359 | Hole Diameter (D) N/A 0.140 |
| C2052 A-1 C2052 A-1/Asset/a1058.jpg | Type N/A One Side, One Hole, Large Size Roller | Pitch (P) N/A 1.250 | From Hole C.L. to Chain C.L. (A) N/A 0.625 | From Hole C.L. to Hole C.L. (B) N/A 0.469 | From Top to Pin C.L. (C) N/A 0.438 | Hole Diameter (D) N/A 0.203 |
| C2062H A-1 C2062H A-1/Asset/a1058.jpg | Type N/A One Side, One Hole, Large Size Roller | Pitch (P) N/A 1.50 | From Hole C.L. to Chain C.L. (A) N/A 0.844 | From Hole C.L. to Hole C.L. (B) N/A 0.562 | From Top to Pin C.L. (C) N/A 0.578 | Hole Diameter (D) N/A 0.203 |
| C2082H A-1 C2082H A-1/Asset/a1058.jpg | Type N/A One Side, One Hole, Large Size Roller | Pitch (P) N/A 2.00 | From Hole C.L. to Chain C.L. (A) N/A 1.094 | From Hole C.L. to Hole C.L. (B) N/A 0.750 | From Top to Pin C.L. (C) N/A 0.750 | Hole Diameter (D) N/A 0.265 |
| C2102H A-1 C2102H A-1/Asset/a1058.jpg | Type N/A One Side, One Hole, Large Size Roller | Pitch (P) N/A 2.500 | From Hole C.L. to Chain C.L. (A) N/A 1.312 | From Hole C.L. to Hole C.L. (B) N/A 0.938 | From Top to Pin C.L. (C) N/A 0.922 | Hole Diameter (D) N/A 0.328 |
| C2122H A-1 C2122H A-1/Asset/a1058.jpg | Type N/A One Side, One Hole, Large Size Roller | Pitch (P) N/A 3.000 | From Hole C.L. to Chain C.L. (A) N/A 1.562 | From Hole C.L. to Hole C.L. (B) N/A 1.126 | From Top to Pin C.L. (C) N/A 1.094 | Hole Diameter (D) N/A 0.390 |
| C2162H A-1 C2162H A-1/Asset/a1058.jpg | Type N/A One Side, One Hole, Large Size Roller | Pitch (P) N/A 4.000 | From Hole C.L. to Chain C.L. (A) N/A 2.063 | From Hole C.L. to Hole C.L. (B) N/A 1.501 | From Top to Pin C.L. (C) N/A 1.439 | Hole Diameter (D) N/A 0.521 |
| C2040 A-2 C2040 A-2/Asset/Double Pitch A1 and A2.jpg | Type N/A One Side, Two Holes, Standard Roller | Pitch (P) N/A 1.000 | From Hole C.L. to Chain C.L. (A) N/A 0.500 | From Hole C.L. to Hole C.L. (B) N/A 0.375 | From Top to Pin C.L. (C) N/A 0.359 | Hole Diameter (D) N/A 0.140 |
| C2050 A-2 C2050 A-2/Asset/Double Pitch A1 and A2.jpg | Type N/A One Side, Two Holes, Standard Roller | Pitch (P) N/A 1.250 | From Hole C.L. to Chain C.L. (A) N/A 0.625 | From Hole C.L. to Hole C.L. (B) N/A 0.469 | From Top to Pin C.L. (C) N/A 0.438 | Hole Diameter (D) N/A 0.203 |
| C2060H A-2 C2060H A-2/Asset/Double Pitch A1 and A2.jpg | Type N/A One Side, Two Holes, Standard Roller | Pitch (P) N/A 1.50 | From Hole C.L. to Chain C.L. (A) N/A 0.844 | From Hole C.L. to Hole C.L. (B) N/A 0.562 | From Top to Pin C.L. (C) N/A 0.578 | Hole Diameter (D) N/A 0.203 |
| C2080H A-2 C2080H A-2/Asset/Double Pitch A1 and A2.jpg | Type N/A One Side, Two Holes, Standard Roller | Pitch (P) N/A 2.00 | From Hole C.L. to Chain C.L. (A) N/A 1.094 | From Hole C.L. to Hole C.L. (B) N/A 0.750 | From Top to Pin C.L. (C) N/A 0.750 | Hole Diameter (D) N/A 0.265 |
| C2100H A-2 C2100H A-2/Asset/Double Pitch A1 and A2.jpg | Type N/A One Side, Two Holes, Standard Roller | Pitch (P) N/A 2.500 | From Hole C.L. to Chain C.L. (A) N/A 1.312 | From Hole C.L. to Hole C.L. (B) N/A 0.938 | From Top to Pin C.L. (C) N/A 0.922 | Hole Diameter (D) N/A 0.328 |
| C2120H A-2 C2120H A-2/Asset/Double Pitch A1 and A2.jpg | Type N/A One Side, Two Holes, Standard Roller | Pitch (P) N/A 3.000 | From Hole C.L. to Chain C.L. (A) N/A 1.562 | From Hole C.L. to Hole C.L. (B) N/A 1.126 | From Top to Pin C.L. (C) N/A 1.094 | Hole Diameter (D) N/A 0.390 |
| C2160H A-2 C2160H A-2/Asset/Double Pitch A1 and A2.jpg | Type N/A One Side, Two Holes, Standard Roller | Pitch (P) N/A 4.000 | From Hole C.L. to Chain C.L. (A) N/A 2.063 | From Hole C.L. to Hole C.L. (B) N/A 1.501 | From Top to Pin C.L. (C) N/A 1.439 | Hole Diameter (D) N/A 0.521 |
| C2042 A-2 C2042 A-2/Asset/Double Pitch A1 and A2.jpg | Type N/A One Side, Two Holes, Large Size Roller | Pitch (P) N/A 1.000 | From Hole C.L. to Chain C.L. (A) N/A 0.500 | From Hole C.L. to Hole C.L. (B) N/A 0.375 | From Top to Pin C.L. (C) N/A 0.359 | Hole Diameter (D) N/A 0.140 |
| C2052 A-2 C2052 A-2/Asset/Double Pitch A1 and A2.jpg | Type N/A One Side, Two Holes, Large Size Roller | Pitch (P) N/A 1.250 | From Hole C.L. to Chain C.L. (A) N/A 0.625 | From Hole C.L. to Hole C.L. (B) N/A 0.469 | From Top to Pin C.L. (C) N/A 0.438 | Hole Diameter (D) N/A 0.203 |
| C2062H A-2 C2062H A-2/Asset/Double Pitch A1 and A2.jpg | Type N/A One Side, Two Holes, Large Size Roller | Pitch (P) N/A 1.50 | From Hole C.L. to Chain C.L. (A) N/A 0.844 | From Hole C.L. to Hole C.L. (B) N/A 0.562 | From Top to Pin C.L. (C) N/A 0.578 | Hole Diameter (D) N/A 0.203 |
| C2082H A-2 C2082H A-2/Asset/Double Pitch A1 and A2.jpg | Type N/A One Side, Two Holes, Large Size Roller | Pitch (P) N/A 2.00 | From Hole C.L. to Chain C.L. (A) N/A 1.094 | From Hole C.L. to Hole C.L. (B) N/A 0.750 | From Top to Pin C.L. (C) N/A 0.750 | Hole Diameter (D) N/A 0.265 |
1 2
