Skip To Content

Catalog

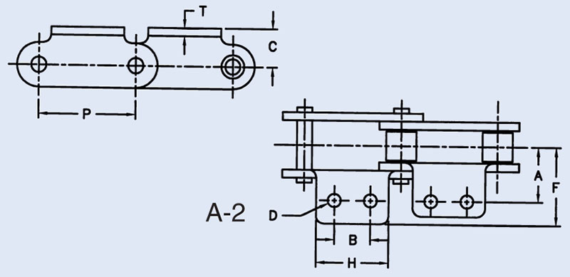
Dimensions are given in inches.
Unit of Measure

Specifications

Type

N/A One Side, Two Holes, Large Size Roller

Drawing

N/A Dimensions<!--Double Pitch Bent, One Side Two Hole-->

Pitch (P)

N/A 2.00

From Hole C.L. to Chain C.L. (A)

N/A 1.094

From Hole C.L. to Hole C.L. (B)

N/A 0.750

From Top to Pin C.L. (C)

N/A 0.750

Hole Diameter (D)

N/A 0.265

From End to Chain C.L. (F)

N/A 1.516

Extension Width (H)

N/A 1.501

Thickness (T)

N/A 0.157

Applications Served

N/A bakery ovens conveyors food processing packaging