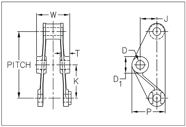
700 Class Pintle Chain Attachments
Pintle and Wastewater Collector Chain Attachments
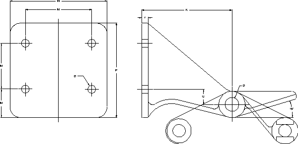
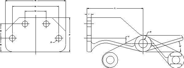
Dimensions are given in inches.
1 2
Item # |
Attachment No. |
Drawing |
Pitch |
Dimension (K) |
Dimension (T) |
Avg. Weight |
|---|---|---|---|---|---|---|
| MS720S-K2 MS720S-K2/Asset/MS720-K2 Draw.jpg | Attachment No. N/A MS 720-S-K2 |
Drawing
N/A MS720-K2 Attachment Drawing |
Pitch N/A 6.000 | Dimension (K) N/A 1.69 | Dimension (T) N/A 0.310 | Avg. Weight N/A 8.5 lb/ft |
| 730-K2 730-K2/Asset/MS730-K2 Draw.jpg | Attachment No. N/A 730-K2 |
Drawing
N/A MS730-K2 Attachment Drawing |
Pitch N/A 6.000 | Dimension (K) N/A 1.69 | Dimension (T) N/A 0.310 | Avg. Weight N/A 8.6 lb/ft |
| 720-M1 720-M1/Asset/720-M1 Draw.jpg | Attachment No. N/A 720-M1 |
Drawing
N/A 720-M1 Attachment Drawing |
Pitch N/A 6.000 | Dimension (K) N/A 3.00 | Dimension (T) N/A 0.75 | Avg. Weight N/A 6.0 lb/ft |
| 720S-M1 720S-M1/Asset/720-M1 Draw.jpg | Attachment No. N/A 720-S-M1 |
Drawing
N/A 720-M1 Attachment Drawing |
Pitch N/A 6.000 | Dimension (K) N/A 3.00 | Dimension (T) N/A 0.75 | Avg. Weight N/A 6.9 lb/ft |
| MS720S-M1 MS720S-M1/Asset/720-M1 Draw.jpg | Attachment No. N/A MS 720-S-M1 |
Drawing
N/A 720-M1 Attachment Drawing |
Pitch N/A 6.000 | Dimension (K) N/A 3.00 | Dimension (T) N/A 0.75 | Avg. Weight N/A 6.9 lb/ft |
| 730-M1 730-M1/Asset/720-M1 Draw.jpg | Attachment No. N/A 730-M1 |
Drawing
N/A 720-M1 Attachment Drawing |
Pitch N/A 6.000 | Dimension (K) N/A 3.00 | Dimension (T) N/A 0.75 | Avg. Weight N/A 7.90 lb/ft |
| MS730-M1 MS730-M1/Asset/720-M1 Draw.jpg | Attachment No. N/A MS 730-M1 |
Drawing
N/A 720-M1 Attachment Drawing |
Pitch N/A 6.000 | Dimension (K) N/A 3.00 | Dimension (T) N/A 0.75 | Avg. Weight N/A 7.90 lb/ft |
| PDF2 PDF2/Asset/PDF2.jpg | Attachment No. N/A PDF2 |
Drawing
N/A PDF2 Attachment Drawing |
Pitch N/A | Dimension (K) N/A 5.12 | Dimension (T) N/A 0.38 | Avg. Weight N/A 5.0 lb/ft |
| PDF22-6 PDF22-6/Asset/PDF22.jpg | Attachment No. N/A PDF22-6 |
Drawing
N/A PDF22 Attachment Drawing |
Pitch N/A | Dimension (K) N/A 5.12 | Dimension (T) N/A 0.38 | Avg. Weight N/A 6.0 lb/ft |
| PDF22-8 PDF22-8/Asset/PDF22.jpg | Attachment No. N/A PDF22-8 |
Drawing
N/A PDF22 Attachment Drawing |
Pitch N/A | Dimension (K) N/A 5.12 | Dimension (T) N/A 0.38 | Avg. Weight N/A 7.8 lb/ft |
1 2


