700 Class Pintle Chain Attachments
Pintle and Wastewater Collector Chain Attachments
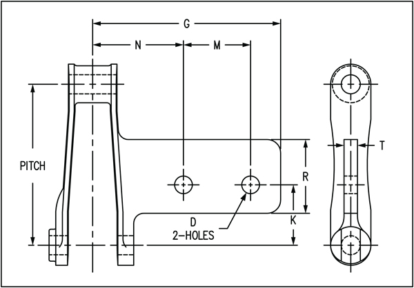
Dimensions are given in inches.
1 2
Item # |
Attachment No. |
Drawing |
Pitch |
Dimension (K) |
Dimension (T) |
Avg. Weight |
|---|---|---|---|---|---|---|
| 720-A2 720-A2/Asset/720-A2 Draw.jpg | Attachment No. N/A 720-A2 |
Drawing
N/A 720-A2 Attachment Drawing |
Pitch N/A 6.000 | Dimension (K) N/A 1.50 | Dimension (T) N/A 0.62 | Avg. Weight N/A 8.8 lb/ft |
| MS720S-A2 MS720S-A2/Asset/720-A2 Draw.jpg | Attachment No. N/A MS 720-S-A2 |
Drawing
N/A 720-A2 Attachment Drawing |
Pitch N/A 6.000 | Dimension (K) N/A 1.94 | Dimension (T) N/A 0.62 | Avg. Weight N/A 8.8 lb/ft |
| 730-A2 730-A2/Asset/720-A2 Draw.jpg | Attachment No. N/A 730-A2 |
Drawing
N/A 720-A2 Attachment Drawing |
Pitch N/A 6.000 | Dimension (K) N/A 1.94 | Dimension (T) N/A 0.44 | Avg. Weight N/A 8.6 lb/ft |
| MS720S - A42 MS720S - A42/Asset/720-A42 Draw.jpg | Attachment No. N/A |
Drawing
N/A 720 A42 Draw |
Pitch N/A 6.000 | Dimension (K) N/A 3.00 | Dimension (T) N/A 1.56 | Avg. Weight N/A 9.0 lb/ft |
| MS720S-AD474 MS720S-AD474/Asset/MS720S-AD474 Drawing.jpg | Attachment No. N/A MS 720-S-AD474 |
Drawing
N/A MS720S-AD474 Attachment Drawing |
Pitch N/A 6.000 | Dimension (K) N/A 2.25 | Dimension (T) N/A .50 | Avg. Weight N/A 6.5 lb/ft |
| 730-A42 730-A42/Asset/730-A42.jpg | Attachment No. N/A 730-A42 |
Drawing
N/A 730-A42 Attachment Drawing |
Pitch N/A 6.000 | Dimension (K) N/A 3.00 | Dimension (T) N/A 0.62 | Avg. Weight N/A 7.3 lb/ft |
| 720-A53 720-A53/Asset/720-A53 Draw.jpg | Attachment No. N/A 720-A53 |
Drawing
N/A 720-A53 Attachment Drawing |
Pitch N/A 6.000 | Dimension (K) N/A 3.00 | Dimension (T) N/A 0.310 | Avg. Weight N/A 6.3 lb/ft |
| 720S-A53 720S-A53/Asset/720-A53 Draw.jpg | Attachment No. N/A 720S-A53 |
Drawing
N/A 720-A53 Attachment Drawing |
Pitch N/A 6.000 | Dimension (K) N/A 3.00 | Dimension (T) N/A 0.310 | Avg. Weight N/A 7.3 lb/ft |
| 720-AM116 720-AM116/Asset/720-AM116 Draw.jpg | Attachment No. N/A 720-AM116 |
Drawing
N/A 720-AM116 Attachment Drawing |
Pitch N/A 6.000 | Dimension (K) N/A 3.00 | Dimension (T) N/A 1.00 | Avg. Weight N/A 7.8 lb/ft |
| 720S-AM116 720S-AM116/Asset/720-AM116 Draw.jpg | Attachment No. N/A 720-S-AM116 |
Drawing
N/A 720-AM116 Attachment Drawing |
Pitch N/A 6.000 | Dimension (K) N/A 3.00 | Dimension (T) N/A 1.00 | Avg. Weight N/A 8.8 lb/ft |
| 720-F2 720-F2/Asset/720-F2 Draw.jpg | Attachment No. N/A 720-F2 |
Drawing
N/A 720-F2 Attachment Drawing |
Pitch N/A 6.000 | Dimension (K) N/A 3.00 | Dimension (T) N/A 0.25 | Avg. Weight N/A 6.4 lb/ft |
| 720S-F2 720S-F2/Asset/720-F2 Draw.jpg | Attachment No. N/A 720-S-F2 |
Drawing
N/A 720-F2 Attachment Drawing |
Pitch N/A 6.000 | Dimension (K) N/A 3.00 | Dimension (T) N/A 0.25 | Avg. Weight N/A 7.7 lb/ft |
| MS720S-F2 MS720S-F2/Asset/720-F2 Draw.jpg | Attachment No. N/A MS 720-S-F2 |
Drawing
N/A 720-F2 Attachment Drawing |
Pitch N/A 6.000 | Dimension (K) N/A 3.00 | Dimension (T) N/A 0.25 | Avg. Weight N/A 7.7 lb/ft |
| 730-F2 730-F2/Asset/720-F2 Draw.jpg | Attachment No. N/A 730-F2 |
Drawing
N/A 720-F2 Attachment Drawing |
Pitch N/A 6.000 | Dimension (K) N/A 3.00 | Dimension (T) N/A 0.38 | Avg. Weight N/A 7.5 lb/ft |
| MS730-F2 MS730-F2/Asset/720-F2 Draw.jpg | Attachment No. N/A MS 730-F2 |
Drawing
N/A 720-F2 Attachment Drawing |
Pitch N/A 6.000 | Dimension (K) N/A 3.00 | Dimension (T) N/A 0.38 | Avg. Weight N/A 7.5 lb/ft |
| 720-F22-6 720-F22-6/Asset/720-F22 Draw.jpg | Attachment No. N/A 720-F22-6 |
Drawing
N/A 720-F22-8 Attachment Drawing |
Pitch N/A 6.000 | Dimension (K) N/A 3.00 | Dimension (T) N/A 0.310 | Avg. Weight N/A 12.8 lb/ft |
| 720S-F22-6 720S-F22-6/Asset/720-F22 Draw.jpg | Attachment No. N/A 720-S-F22-6 |
Drawing
N/A 720-F22-8 Attachment Drawing |
Pitch N/A 6.000 | Dimension (K) N/A 3.00 | Dimension (T) N/A 0.310 | Avg. Weight N/A 13.8 lb/ft |
| MS720S-F22-6 MS720S-F22-6/Asset/720-F22 Draw.jpg | Attachment No. N/A MS 720-S-F22-6 |
Drawing
N/A 720-F22-8 Attachment Drawing |
Pitch N/A 6.000 | Dimension (K) N/A 3.00 | Dimension (T) N/A 0.310 | Avg. Weight N/A 13.8 lb/ft |
| 730-F22-6 730-F22-6/Asset/720-F22 Draw.jpg | Attachment No. N/A 730-F22-6 |
Drawing
N/A 720-F22-8 Attachment Drawing |
Pitch N/A 6.000 | Dimension (K) N/A 3.00 | Dimension (T) N/A 0.310 | Avg. Weight N/A 13.8 lb/ft |
| MS730-F22-6 MS730-F22-6/Asset/720-F22 Draw.jpg | Attachment No. N/A MS 730-F22-6 |
Drawing
N/A 720-F22-8 Attachment Drawing |
Pitch N/A 6.000 | Dimension (K) N/A 3.00 | Dimension (T) N/A 0.310 | Avg. Weight N/A 13.8 lb/ft |
| 720-F22-8 720-F22-8/Asset/720-F22 Draw.jpg | Attachment No. N/A 720-F22-8 |
Drawing
N/A 720-F22-8 Attachment Drawing |
Pitch N/A 6.000 | Dimension (K) N/A 3.00 | Dimension (T) N/A 0.310 | Avg. Weight N/A 13.6 lb/ft |
| 720S-F22-8 720S-F22-8/Asset/720-F22 Draw.jpg | Attachment No. N/A 720S-F22-8 |
Drawing
N/A 720-F22-8 Attachment Drawing |
Pitch N/A 6.000 | Dimension (K) N/A 3.00 | Dimension (T) N/A 0.310 | Avg. Weight N/A 14.6 lb/ft |
| MS720S-F22-8 MS720S-F22-8/Asset/720-F22 Draw.jpg | Attachment No. N/A MS 720-S-F22-8 |
Drawing
N/A 720-F22-8 Attachment Drawing |
Pitch N/A 6.000 | Dimension (K) N/A 3.00 | Dimension (T) N/A 0.310 | Avg. Weight N/A 14.6 lb/ft |
| 730-F22-8 730-F22-8/Asset/720-F22 Draw.jpg | Attachment No. N/A 730-F22-8 |
Drawing
N/A 720-F22-8 Attachment Drawing |
Pitch N/A 6.000 | Dimension (K) N/A 3.00 | Dimension (T) N/A 0.310 | Avg. Weight N/A 14.6 lb/ft |
| MS730-F22-8 MS730-F22-8/Asset/720-F22 Draw.jpg | Attachment No. N/A MS 730-F22-8 |
Drawing
N/A 720-F22-8 Attachment Drawing |
Pitch N/A 6.000 | Dimension (K) N/A 3.00 | Dimension (T) N/A 0.310 | Avg. Weight N/A 14.6 lb/ft |
1 2


