Attachment No. 730-A2 available without bosses only
Unit of Measure
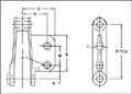
Specifications
Attachment No. |
N/A 730-A2 |
Drawing |
N/A
720-A2 Attachment Drawing |
Pitch |
N/A 6.000 |
Bolt Diameter (D) |
N/A 0.62 |
Hole Diameter (D) |
N/A 0.69 |
Dimension (G) |
N/A 3.56 |
Dimension (K) |
N/A 1.94 |
Dimension (M) |
N/A 2.120 |
Dimension (N) |
N/A 2.75 |
Dimension (R) |
N/A 3.81 |
Dimension (T) |
N/A 0.44 |
Avg. Weight |
N/A 8.6 lb/ft |

