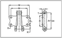
Dimensions are given in inches.
Unit of Measure
Specifications
Attachment No. |
N/A MS 720-S-K2 |
Drawing |
N/A
MS720-K2 Attachment Drawing |
Pitch |
N/A 6.000 |
Bolt Diameter (D) |
N/A .50 |
Hole Diameter (D) |
N/A .56 |
Dimension (J) |
N/A 0.94 |
Dimension (K) |
N/A 1.69 |
Dimension (M) |
N/A 6.000 |
Dimension (M1) |
N/A 2.62 |
Dimension (R) |
N/A 4.12 |
Dimension (T) |
N/A 0.310 |
Dimension (W) |
N/A 7.50 |
Avg. Weight |
N/A 8.5 lb/ft |

