"H" Class Mill Chain Attachments
"H" Class, Mill, Drag and Transfer Chains
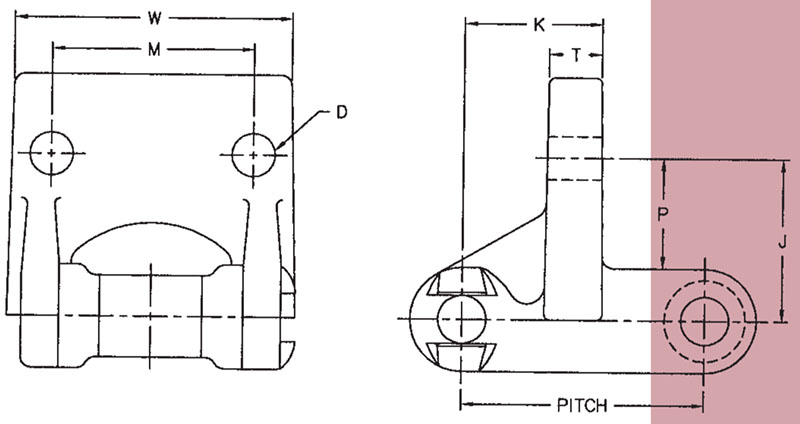
Dimensions are given in inches.
Item # |
Item Name |
Drawing |
Pitch |
Bolt Diameter (D) |
Hole Diameter (D) |
Dimension (J) |
Dimension (K) |
Dimension (T) |
|---|---|---|---|---|---|---|---|---|
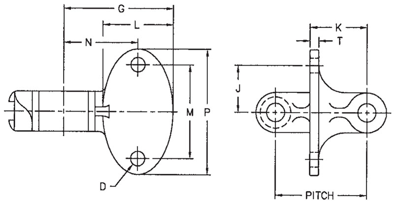
| H78-A1R /Asset/H78A1 Picture.jpg | N/A "H" Class Mill Chain Attachment - Right |
Drawing
N/A Dimensions<!--A1 H Class Attachment--> |
Pitch N/A 2.609 | Bolt Diameter (D) N/A 0.38 | Hole Diameter (D) N/A 0.41 | Dimension (J) N/A 0.56 | Dimension (K) N/A 1.31 | Dimension (T) N/A 0.310 |
| H78-A1L /Asset/H78A1 Picture.jpg | N/A "H" Class Mill Chain Attachment - Left |
Drawing
N/A Dimensions<!--A1 H Class Attachment--> |
Pitch N/A 2.609 | Bolt Diameter (D) N/A 0.38 | Hole Diameter (D) N/A 0.41 | Dimension (J) N/A 0.56 | Dimension (K) N/A 1.31 | Dimension (T) N/A 0.310 |
| H74-F4 /Asset/a1340.jpg | N/A "H" Class Mill Chain Attachment |
Drawing
N/A Dimensions<!--F4 H Class Attachment--> |
Pitch N/A 2.609 | Bolt Diameter (D) N/A 0.31 | Hole Diameter (D) N/A 0.34 | Dimension (J) N/A 2.12 | Dimension (K) N/A 1.94 | Dimension (T) N/A 0.25 |
| H78-F4 /Asset/a1340.jpg | N/A "H" Class Mill Chain Attachment |
Drawing
N/A Dimensions<!--F4 H Class Attachment--> |
Pitch N/A 2.609 | Bolt Diameter (D) N/A 0.38 | Hole Diameter (D) N/A 0.41 | Dimension (J) N/A 2.12 | Dimension (K) N/A 1.94 | Dimension (T) N/A 0.25 |
| H78-F8 /Asset/a1341.jpg | N/A "H" Class Mill Chain Attachment |
Drawing
N/A Dimensions<!--F8 H Class Attachment--> |
Pitch N/A 2.609 | Bolt Diameter (D) N/A 0.44 | Hole Diameter (D) N/A 0.47 | Dimension (J) N/A 1.75 | Dimension (K) N/A 1.50 | Dimension (T) N/A 0.62 |
| H78-G19 /Asset/a1342.jpg | N/A "H" Class Mill Chain Attachment |
Drawing
N/A Dimensions<!--G19 H Class Attachment--> |
Pitch N/A 2.609 | Bolt Diameter (D) N/A 0.38 | Hole Diameter (D) N/A 0.41 | Dimension (J) N/A 1.75 | Dimension (K) N/A 1.62 | Dimension (T) N/A 0.25 |
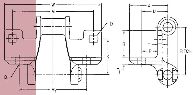
| H78-H1 /Asset/a1343.jpg | N/A "H" Class Mill Chain Attachment |
Drawing
N/A Dimensions<!--H1 H Class Attachment--> |
Pitch N/A 2.609 | Bolt Diameter (D) N/A | Hole Diameter (D) N/A | Dimension (J) N/A 3.62 | Dimension (K) N/A 0.50 | Dimension (T) N/A 0.12 |
| H60-H2 /Asset/a1344.jpg | N/A "H" Class Mill Chain Attachment |
Drawing
N/A Dimensions<!--H2 H Class Attachment--> |
Pitch N/A 2.308 | Bolt Diameter (D) N/A | Hole Diameter (D) N/A | Dimension (J) N/A 2.44 | Dimension (K) N/A 2.12 | Dimension (T) N/A 0.090 |
| H78-H2 /Asset/a1344.jpg | N/A "H" Class Mill Chain Attachment |
Drawing
N/A Dimensions<!--H2 H Class Attachment--> |
Pitch N/A 2.609 | Bolt Diameter (D) N/A | Hole Diameter (D) N/A | Dimension (J) N/A 3.50 | Dimension (K) N/A 2.31 | Dimension (T) N/A 0.12 |
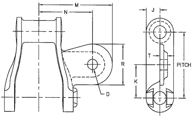
| H60-K1 /Asset/H78-K1 Model.jpg | N/A "H" Class Mill Chain Attachment |
Drawing
N/A Dimensions<!--K1 H Class Attachment--> |
Pitch N/A 2.308 | Bolt Diameter (D) N/A 0.31 | Hole Diameter (D) N/A 0.34 | Dimension (J) N/A 0.75 | Dimension (K) N/A 1.06 | Dimension (T) N/A 0.19 |
| H78-K1 /Asset/H78-K1 Model.jpg | N/A "H" Class Mill Chain Attachment |
Drawing
N/A H78 K1 |
Pitch N/A 2.609 | Bolt Diameter (D) N/A 0.38 | Hole Diameter (D) N/A 0.41 | Dimension (J) N/A 0.81 | Dimension (K) N/A 1.25 | Dimension (T) N/A 0.22 |
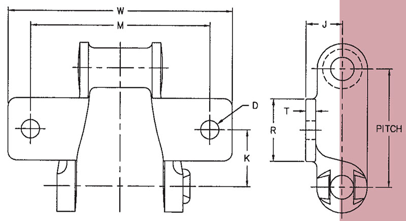
| H78-K2 /Asset/a1346.jpg | N/A "H" Class Mill Chain Attachment |
Drawing
N/A Dimensions<!--K2 H Class Attachment--> |
Pitch N/A 2.609 | Bolt Diameter (D) N/A 0.38 | Hole Diameter (D) N/A 0.41 | Dimension (J) N/A 0.81 | Dimension (K) N/A 1.08 | Dimension (T) N/A 0.25 |
| H82-K2 /Asset/a1346.jpg | N/A "H" Class Mill Chain Attachment |
Drawing
N/A Dimensions<!--K2 H Class Attachment--> |
Pitch N/A 3.075 | Bolt Diameter (D) N/A 0.38 | Hole Diameter (D) N/A 0.41 | Dimension (J) N/A 0.88 | Dimension (K) N/A 1.00 | Dimension (T) N/A 0.310 |
| H124-K2 /Asset/a1346.jpg | N/A "H" Class Mill Chain Attachment |
Drawing
N/A Dimensions<!--K2 H Class Attachment--> |
Pitch N/A 4.000 | Bolt Diameter (D) N/A 0.38 | Hole Diameter (D) N/A 0.41 | Dimension (J) N/A 1.19 | Dimension (K) N/A 1.19 | Dimension (T) N/A 0.310 |
