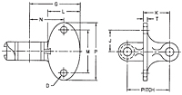
Dimensions are given in inches.
Unit of Measure
Specifications
Drawing |
N/A
Dimensions<!--G19 H Class Attachment--> |
Pitch |
N/A 2.609 |
Bolt Diameter (D) |
N/A 0.38 |
Hole Diameter (D) |
N/A 0.41 |
Dimension (G) |
N/A 2.75 |
Dimension (J) |
N/A 1.75 |
Dimension (K) |
N/A 1.62 |
Dimension (M) |
N/A 2.62 |
Dimension (N) |
N/A 2.19 |
Dimension (P) |
N/A 3.50 |
Dimension (T) |
N/A 0.25 |
Avg. Weight |
N/A 5.9 lb/ft |

