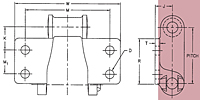
Dimensions are given in inches.
Unit of Measure
Specifications
Drawing |
N/A
Dimensions<!--K2 H Class Attachment--> |
Pitch |
N/A 3.075 |
Bolt Diameter (D) |
N/A 0.38 |
Hole Diameter (D) |
N/A 0.41 |
Dimension (J) |
N/A 0.88 |
Dimension (K) |
N/A 1.00 |
Dimension (M) |
N/A 4.25 |
Dimension (M1) |
N/A 1.31 |
Dimension (R) |
N/A 2.19 |
Dimension (T) |
N/A 0.310 |
Dimension (W) |
N/A 5.50 |
Avg. Weight |
N/A 7.6 lb/ft |

