O-Ring Chains
Precision Roller Chains
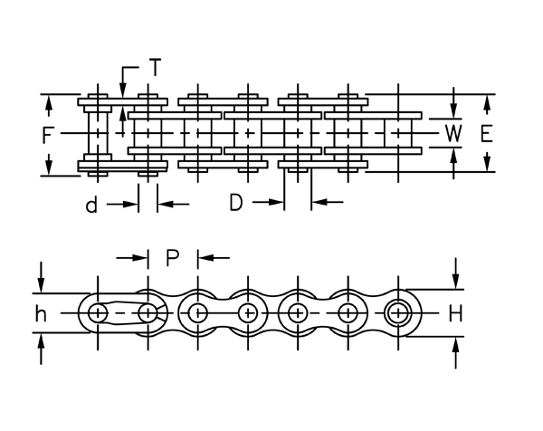
O-ring chains feature rubber seals between the pin link and roller link plates. These seals help keep the lubrication in and contaminants such as dirt or dust out. Dimensions are given in inches.
Item # |
Pitch (P) |
Roller Width (W) |
Roller Diameter (D) |
Link Plate Height (H) |
Link Plate Thickness (T) |
Pin Length (E) |
Avg. Ultimate Strength |
|---|---|---|---|---|---|---|---|
| 40 O-Ring 40 O-Ring/Asset/O-Ring Draw.jpg | Pitch (P) N/A .500 | Roller Width (W) N/A 0.313 | Roller Diameter (D) N/A 0.312 | Link Plate Height (H) N/A 0.472 | Link Plate Thickness (T) N/A 0.059 | Pin Length (E) N/A 0.788 | Avg. Ultimate Strength N/A 4,080 lb |
| 50 O-Ring 50 O-Ring/Asset/O-Ring Draw.jpg | Pitch (P) N/A 0.625 | Roller Width (W) N/A 0.375 | Roller Diameter (D) N/A 0.400 | Link Plate Height (H) N/A 0.591 | Link Plate Thickness (T) N/A 0.078 | Pin Length (E) N/A 0.921 | Avg. Ultimate Strength N/A 6,770 lb |
| 60 O-Ring 60 O-Ring/Asset/O-Ring Draw.jpg | Pitch (P) N/A .750 | Roller Width (W) N/A 0.500 | Roller Diameter (D) N/A 0.469 | Link Plate Height (H) N/A 0.713 | Link Plate Thickness (T) N/A 0.094 | Pin Length (E) N/A 1.134 | Avg. Ultimate Strength N/A 9,640 lb |
| 80 O-Ring 80 O-Ring/Asset/O-Ring Draw.jpg | Pitch (P) N/A 1.000 | Roller Width (W) N/A 0.625 | Roller Diameter (D) N/A 0.625 | Link Plate Height (H) N/A 0.949 | Link Plate Thickness (T) N/A 0.126 | Pin Length (E) N/A 1.442 | Avg. Ultimate Strength N/A 16,320 lb |
