Hollow Pin Chains
Precision Roller Chains
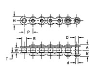
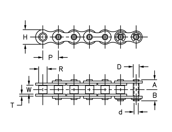
The unique "hollow" pin feature provides unlimited conveyor versatility, allowing easy insertion of cross rods or attachments. Hollow pin chain is identical to ANSI roller chain, running on standard ANSI sprockets. Dimensions are given in inches.
Item # |
Pitch (P) |
Roller Width (W) |
Roller Diameter (R) |
Pin Length (A) |
Pin Length (B) |
Link Plate Height (H) |
Link Plate Thickness (T) |
Avg. Ultimate Strength |
|---|---|---|---|---|---|---|---|---|
| 40 HP 40 HP/Asset/Hollow Pin Draw.jpg | Pitch (P) N/A .500 | Roller Width (W) N/A 0.312 | Roller Diameter (R) N/A 0.312 | Pin Length (A) N/A 0.327 | Pin Length (B) N/A 0.362 | Link Plate Height (H) N/A 0.475 | Link Plate Thickness (T) N/A 0.058 | Avg. Ultimate Strength N/A 2,867 lb |
| 50 HP 50 HP/Asset/Hollow Pin Draw.jpg | Pitch (P) N/A 0.625 | Roller Width (W) N/A 0.375 | Roller Diameter (R) N/A 0.400 | Pin Length (A) N/A 0.404 | Pin Length (B) N/A 0.453 | Link Plate Height (H) N/A 0.594 | Link Plate Thickness (T) N/A 0.079 | Avg. Ultimate Strength N/A 4,631 lb |
| 60 HP 60 HP/Asset/Hollow Pin Draw.jpg | Pitch (P) N/A .750 | Roller Width (W) N/A 0.500 | Roller Diameter (R) N/A 0.469 | Pin Length (A) N/A 0.508 | Pin Length (B) N/A 0.555 | Link Plate Height (H) N/A 0.712 | Link Plate Thickness (T) N/A 0.094 | Avg. Ultimate Strength N/A 5,754 lb |
| 80 HP 80 HP/Asset/Hollow Pin Draw.jpg | Pitch (P) N/A 1.000 | Roller Width (W) N/A 0.625 | Roller Diameter (R) N/A 0.625 | Pin Length (A) N/A 0.638 | Pin Length (B) N/A 0.758 | Link Plate Height (H) N/A 0.950 | Link Plate Thickness (T) N/A 0.125 | Avg. Ultimate Strength N/A 11,466 lb |
| C2040 HP C2040 HP/Asset/Hollow Pin Draw.jpg | Pitch (P) N/A 1.000 | Roller Width (W) N/A 0.312 | Roller Diameter (R) N/A 0.312 | Pin Length (A) N/A 0.326 | Pin Length (B) N/A 0.353 | Link Plate Height (H) N/A 0.475 | Link Plate Thickness (T) N/A 0.058 | Avg. Ultimate Strength N/A 2,870 lb |
| C2042 HP C2042 HP/Asset/Hollow Pin Draw.jpg | Pitch (P) N/A 1.000 | Roller Width (W) N/A 0.312 | Roller Diameter (R) N/A 0.625 | Pin Length (A) N/A 0.326 | Pin Length (B) N/A 0.353 | Link Plate Height (H) N/A 0.475 | Link Plate Thickness (T) N/A 0.058 | Avg. Ultimate Strength N/A 2,870 lb |
| C2050 HP C2050 HP/Asset/Hollow Pin Draw.jpg | Pitch (P) N/A 1.250 | Roller Width (W) N/A 0.375 | Roller Diameter (R) N/A 0.400 | Pin Length (A) N/A 0.403 | Pin Length (B) N/A 0.427 | Link Plate Height (H) N/A 0.594 | Link Plate Thickness (T) N/A 0.079 | Avg. Ultimate Strength N/A 4,640 lb |
| C2052 HP C2052 HP/Asset/Hollow Pin Draw.jpg | Pitch (P) N/A 1.250 | Roller Width (W) N/A 0.375 | Roller Diameter (R) N/A 0.750 | Pin Length (A) N/A 0.403 | Pin Length (B) N/A 0.427 | Link Plate Height (H) N/A 0.594 | Link Plate Thickness (T) N/A 0.079 | Avg. Ultimate Strength N/A 4,640 lb |
| C2060 HP C2060 HP/Asset/Hollow Pin Draw.jpg | Pitch (P) N/A 1.50 | Roller Width (W) N/A 0.500 | Roller Diameter (R) N/A 0.469 | Pin Length (A) N/A 0.508 | Pin Length (B) N/A 0.548 | Link Plate Height (H) N/A 0.712 | Link Plate Thickness (T) N/A 0.093 | Avg. Ultimate Strength N/A 5,960 lb |
| C2062 HP C2062 HP/Asset/Hollow Pin Draw.jpg | Pitch (P) N/A 1.50 | Roller Width (W) N/A 0.500 | Roller Diameter (R) N/A 0.875 | Pin Length (A) N/A 0.508 | Pin Length (B) N/A 0.548 | Link Plate Height (H) N/A 0.712 | Link Plate Thickness (T) N/A 0.093 | Avg. Ultimate Strength N/A 5,960 lb |
| C2080 HP C2080 HP/Asset/Hollow Pin Draw.jpg | Pitch (P) N/A 2.00 | Roller Width (W) N/A 0.625 | Roller Diameter (R) N/A 0.625 | Pin Length (A) N/A 0.655 | Pin Length (B) N/A 0.693 | Link Plate Height (H) N/A 0.950 | Link Plate Thickness (T) N/A 0.125 | Avg. Ultimate Strength N/A 11,470 lb |
| C2082 HP C2082 HP/Asset/Hollow Pin Draw.jpg | Pitch (P) N/A 2.00 | Roller Width (W) N/A 0.625 | Roller Diameter (R) N/A 1.126 | Pin Length (A) N/A 0.655 | Pin Length (B) N/A 0.693 | Link Plate Height (H) N/A 0.950 | Link Plate Thickness (T) N/A 0.125 | Avg. Ultimate Strength N/A 11,470 lb |


