Double Pitch Roller Chains
Precision Roller Chains
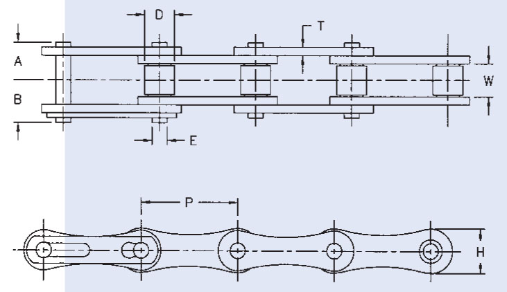
Double pitch roller chains are dimensionally similar to standard ANSI roller chains but have double the pitch size. The A series has figure-8 shaped sidebars and is used in drive applications, while the C series has straight sidebars with either standard or over-sized rollers and is used in conveyor applications. Dimensions are given in inches.
Item # |
Type |
Pitch (P) |
Roller Width (W) |
Roller Diameter (D) |
Riv. End to Center Line (A) |
Conn. End to Center Line (B) |
Link Plate Height (H) |
Link Plate Thickness (T) |
Pin Diameter (E) |
Avg. Ultimate Strength |
|---|---|---|---|---|---|---|---|---|---|---|
| A2040 A2040/Asset/a1016.jpg | Type N/A Drive Series | Pitch (P) N/A 1.000 | Roller Width (W) N/A 0.312 | Roller Diameter (D) N/A 0.312 | Riv. End to Center Line (A) N/A 0.321 | Conn. End to Center Line (B) N/A 0.368 | Link Plate Height (H) N/A 0.475 | Link Plate Thickness (T) N/A 0.058 | Pin Diameter (E) N/A 0.156 | Avg. Ultimate Strength N/A 3,970 lb |
| A2050 A2050/Asset/a1016.jpg | Type N/A Drive Series | Pitch (P) N/A 1.250 | Roller Width (W) N/A 0.375 | Roller Diameter (D) N/A 0.400 | Riv. End to Center Line (A) N/A 0.399 | Conn. End to Center Line (B) N/A 0.455 | Link Plate Height (H) N/A 0.594 | Link Plate Thickness (T) N/A 0.079 | Pin Diameter (E) N/A 0.200 | Avg. Ultimate Strength N/A 6,620 lb |
| A2060 A2060/Asset/a1016.jpg | Type N/A Drive Series | Pitch (P) N/A 1.50 | Roller Width (W) N/A 0.500 | Roller Diameter (D) N/A 0.469 | Riv. End to Center Line (A) N/A 0.497 | Conn. End to Center Line (B) N/A 0.551 | Link Plate Height (H) N/A 0.712 | Link Plate Thickness (T) N/A 0.093 | Pin Diameter (E) N/A 0.234 | Avg. Ultimate Strength N/A 9,270 lb |
| A2080 A2080/Asset/a1016.jpg | Type N/A Drive Series | Pitch (P) N/A 2.00 | Roller Width (W) N/A 0.625 | Roller Diameter (D) N/A 0.625 | Riv. End to Center Line (A) N/A 0.725 | Conn. End to Center Line (B) N/A 0.873 | Link Plate Height (H) N/A 0.950 | Link Plate Thickness (T) N/A 0.157 | Pin Diameter (E) N/A 0.312 | Avg. Ultimate Strength N/A 12,460 lb |
| C2040 C2040/Asset/a1017.jpg | Type N/A Conveyor Series Standard Roller | Pitch (P) N/A 1.000 | Roller Width (W) N/A 0.312 | Roller Diameter (D) N/A 0.312 | Riv. End to Center Line (A) N/A 0.321 | Conn. End to Center Line (B) N/A 0.368 | Link Plate Height (H) N/A 0.475 | Link Plate Thickness (T) N/A 0.058 | Pin Diameter (E) N/A 0.156 | Avg. Ultimate Strength N/A 3,970 lb |
| C2050 C2050/Asset/a1017.jpg | Type N/A Conveyor Series Standard Roller | Pitch (P) N/A 1.250 | Roller Width (W) N/A 0.375 | Roller Diameter (D) N/A 0.400 | Riv. End to Center Line (A) N/A 0.399 | Conn. End to Center Line (B) N/A 0.455 | Link Plate Height (H) N/A 0.594 | Link Plate Thickness (T) N/A 0.079 | Pin Diameter (E) N/A 0.200 | Avg. Ultimate Strength N/A 6,620 lb |
| C2060 C2060/Asset/a1017.jpg | Type N/A Conveyor Series Standard Roller | Pitch (P) N/A 1.50 | Roller Width (W) N/A 0.500 | Roller Diameter (D) N/A 0.469 | Riv. End to Center Line (A) N/A 0.497 | Conn. End to Center Line (B) N/A 0.551 | Link Plate Height (H) N/A 0.712 | Link Plate Thickness (T) N/A 0.093 | Pin Diameter (E) N/A 0.234 | Avg. Ultimate Strength N/A 9,270 lb |
| C2060H C2060H/Asset/a1017.jpg | Type N/A Conveyor Series Standard Roller | Pitch (P) N/A 1.50 | Roller Width (W) N/A 0.500 | Roller Diameter (D) N/A 0.469 | Riv. End to Center Line (A) N/A 0.570 | Conn. End to Center Line (B) N/A 0.625 | Link Plate Height (H) N/A 0.712 | Link Plate Thickness (T) N/A 0.125 | Pin Diameter (E) N/A 0.234 | Avg. Ultimate Strength N/A 12,130 lb |
| C2080H C2080H/Asset/a1017.jpg | Type N/A Conveyor Series Standard Roller | Pitch (P) N/A 2.00 | Roller Width (W) N/A 0.625 | Roller Diameter (D) N/A 0.625 | Riv. End to Center Line (A) N/A 0.720 | Conn. End to Center Line (B) N/A 0.873 | Link Plate Height (H) N/A 0.950 | Link Plate Thickness (T) N/A 0.157 | Pin Diameter (E) N/A 0.312 | Avg. Ultimate Strength N/A 19,850 lb |
| C2100H C2100H/Asset/a1017.jpg | Type N/A Conveyor Series Standard Roller | Pitch (P) N/A 2.500 | Roller Width (W) N/A 0.750 | Roller Diameter (D) N/A 0.750 | Riv. End to Center Line (A) N/A 0.845 | Conn. End to Center Line (B) N/A 1.002 | Link Plate Height (H) N/A 1.188 | Link Plate Thickness (T) N/A 0.189 | Pin Diameter (E) N/A 0.375 | Avg. Ultimate Strength N/A 30,870 lb |
| C2120H C2120H/Asset/a1017.jpg | Type N/A Conveyor Series Standard Roller | Pitch (P) N/A 3.000 | Roller Width (W) N/A 1.000 | Roller Diameter (D) N/A 0.875 | Riv. End to Center Line (A) N/A 1.066 | Conn. End to Center Line (B) N/A 1.259 | Link Plate Height (H) N/A 1.369 | Link Plate Thickness (T) N/A 0.219 | Pin Diameter (E) N/A 0.437 | Avg. Ultimate Strength N/A 36,390 lb |
| C2160H C2160H/Asset/a1017.jpg | Type N/A Conveyor Series Standard Roller | Pitch (P) N/A 4.000 | Roller Width (W) N/A 1.250 | Roller Diameter (D) N/A 1.125 | Riv. End to Center Line (A) N/A 1.339 | Conn. End to Center Line (B) N/A 1.536 | Link Plate Height (H) N/A 1.901 | Link Plate Thickness (T) N/A 0.281 | Pin Diameter (E) N/A 0.563 | Avg. Ultimate Strength N/A 61,740 lb |
| C2042 C2042/Asset/a1018.jpg | Type N/A Conveyor Series Oversize Roller | Pitch (P) N/A 1.000 | Roller Width (W) N/A 0.312 | Roller Diameter (D) N/A 0.625 | Riv. End to Center Line (A) N/A 0.321 | Conn. End to Center Line (B) N/A 0.368 | Link Plate Height (H) N/A 0.475 | Link Plate Thickness (T) N/A 0.058 | Pin Diameter (E) N/A 0.156 | Avg. Ultimate Strength N/A 3,970 lb |
| C2052 C2052/Asset/a1018.jpg | Type N/A Conveyor Series Oversize Roller | Pitch (P) N/A 1.250 | Roller Width (W) N/A 0.375 | Roller Diameter (D) N/A 0.750 | Riv. End to Center Line (A) N/A 0.399 | Conn. End to Center Line (B) N/A 0.455 | Link Plate Height (H) N/A 0.594 | Link Plate Thickness (T) N/A 0.079 | Pin Diameter (E) N/A 0.200 | Avg. Ultimate Strength N/A 6,620 lb |
| C2062H C2062H/Asset/a1018.jpg | Type N/A Conveyor Series Oversize Roller | Pitch (P) N/A 1.50 | Roller Width (W) N/A 0.500 | Roller Diameter (D) N/A 0.875 | Riv. End to Center Line (A) N/A 0.570 | Conn. End to Center Line (B) N/A 0.625 | Link Plate Height (H) N/A 0.712 | Link Plate Thickness (T) N/A 0.125 | Pin Diameter (E) N/A 0.234 | Avg. Ultimate Strength N/A 12,130 lb |
| C2082H C2082H/Asset/a1018.jpg | Type N/A Conveyor Series Oversize Roller | Pitch (P) N/A 2.00 | Roller Width (W) N/A 0.625 | Roller Diameter (D) N/A 1.125 | Riv. End to Center Line (A) N/A 0.720 | Conn. End to Center Line (B) N/A 0.873 | Link Plate Height (H) N/A 0.950 | Link Plate Thickness (T) N/A 0.157 | Pin Diameter (E) N/A 0.312 | Avg. Ultimate Strength N/A 19,850 lb |
| C2102H C2102H/Asset/a1018.jpg | Type N/A Conveyor Series Oversize Roller | Pitch (P) N/A 2.500 | Roller Width (W) N/A 0.750 | Roller Diameter (D) N/A 1.562 | Riv. End to Center Line (A) N/A 0.845 | Conn. End to Center Line (B) N/A 1.002 | Link Plate Height (H) N/A 1.188 | Link Plate Thickness (T) N/A 0.189 | Pin Diameter (E) N/A 0.375 | Avg. Ultimate Strength N/A 30,870 lb |
| C2122H C2122H/Asset/a1018.jpg | Type N/A Conveyor Series Oversize Roller | Pitch (P) N/A 3.000 | Roller Width (W) N/A 1.000 | Roller Diameter (D) N/A 1.751 | Riv. End to Center Line (A) N/A 1.066 | Conn. End to Center Line (B) N/A 1.259 | Link Plate Height (H) N/A 1.369 | Link Plate Thickness (T) N/A 0.219 | Pin Diameter (E) N/A 0.437 | Avg. Ultimate Strength N/A 36,390 lb |
| C2162H C2162H/Asset/a1018.jpg | Type N/A Conveyor Series Oversize Roller | Pitch (P) N/A 4.000 | Roller Width (W) N/A 1.250 | Roller Diameter (D) N/A 2.251 | Riv. End to Center Line (A) N/A 1.339 | Conn. End to Center Line (B) N/A 1.536 | Link Plate Height (H) N/A 1.901 | Link Plate Thickness (T) N/A 0.281 | Pin Diameter (E) N/A 0.563 | Avg. Ultimate Strength N/A 61,740 lb |


