Citrus Chains
Precision Roller Chains
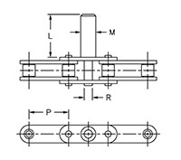
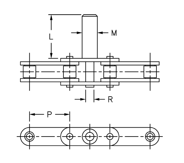
Citrus chains are furnished with extended pins for insertion into conveyor rollers. They are available in both carbon steel and stainless steel. Dimensions are given in inches.
Item # |
Attachment |
Pitch (P) |
Pin Length (L) |
Pin Diameter (M) |
Roller Diameter (R) |
Material |
Weight |
|---|---|---|---|---|---|---|---|
| C2060H D-5(1/2") C2060H D-5(1/2")/Asset/Citrus C2060 D-5 Draw.jpg | Attachment N/A D-5 (1/2 x 1 5/8) | Pitch (P) N/A 1.50 | Pin Length (L) N/A 1.626 | Pin Diameter (M) N/A 0.500 | Roller Diameter (R) N/A 0.310 | Material N/A Carbon Steel | Weight N/A 1.6 lb/ft |
| C2060H D-5(9/16") C2060H D-5(9/16")/Asset/Citrus C2060 D-5 Draw.jpg | Attachment N/A D-5 (9/16 x 1 5/8) | Pitch (P) N/A 1.50 | Pin Length (L) N/A 1.626 | Pin Diameter (M) N/A 0.563 | Roller Diameter (R) N/A 0.310 | Material N/A Carbon Steel | Weight N/A 1.62 lb/ft |
| C2060H SS D-5(1/2") C2060H SS D-5(1/2")/Asset/Citrus C2060 D-5 Draw.jpg | Attachment N/A D-5 (1/2 x 1 5/8) | Pitch (P) N/A 1.50 | Pin Length (L) N/A 1.626 | Pin Diameter (M) N/A 0.500 | Roller Diameter (R) N/A 0.310 | Material N/A Stainless Steel | Weight N/A 1.6 lb/ft |
| C2080H SS D-5(9/16") C2080H SS D-5(9/16")/Asset/Citrus C2060 D-5 Draw.jpg | Attachment N/A D-5 (9/16 x 1 5/8) | Pitch (P) N/A 2.00 | Pin Length (L) N/A 1.626 | Pin Diameter (M) N/A 0.563 | Roller Diameter (R) N/A 0.310 | Material N/A Stainless Steel | Weight N/A 1.62 lb/ft |


