MSR Class Bushed Roller Steel Meat Packing Chain Attachments
MSR Class Steel Bushed Roller Chain Attachments
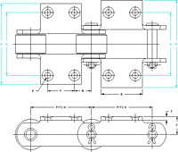
Dimensions are given in inches.
Item # |
Drawing |
Pitch |
Dimension (A1) |
Dimension (B1) |
Dimension (C1) |
Dimension (E1) |
Dimension (F1) |
|---|---|---|---|---|---|---|---|
| MSR3420-K2 MSR3420-K2/Asset/MSR-Class-Meat-Packing.jpg |
Drawing
N/A MSR-Class-Meat-Packing Drawing |
Pitch N/A 4.040 | Dimension (A1) N/A 4.12 | Dimension (B1) N/A 1.27 | Dimension (C1) N/A 1.25 | Dimension (E1) N/A 2.88 | Dimension (F1) N/A 1.500 |
| MSR6272-K2 MSR6272-K2/Asset/MSR-Class-Meat-Packing.jpg |
Drawing
N/A MSR-Class-Meat-Packing Drawing |
Pitch N/A 6.000 | Dimension (A1) N/A 4.00 | Dimension (B1) N/A 2.00 | Dimension (C1) N/A 1.38 | Dimension (E1) N/A 3.50 | Dimension (F1) N/A 2.00 |


