Skip To Content

Catalog

Note"R" and "L" suffixes in Moline Attachment Nos. designate right and left hand attachments.
Unit of Measure

Specifications

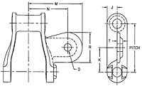
Drawing

N/A Dimensions<!--A1 H Class Attachment-->

Pitch

N/A 2.609

Bolt Diameter (D)

N/A 0.38

Hole Diameter (D)

N/A 0.41

Dimension (J)

N/A 0.56

Dimension (K)

N/A 1.31

Dimension (M)

N/A 3.00

Dimension (N)

N/A 2.19

Dimension (R)

N/A 1.62

Dimension (T)

N/A 0.310

Avg. Weight

N/A 4.8 lb/ft

Applications Served

N/A conveyors forest products high-temperature industrial ovens produce washdown sugar harvesting water treatment