Skip To Content

Catalog

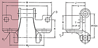
Dimensions are given in inches.
Unit of Measure

Specifications

Drawing

N/A Dimensions<!--F4 H Class Attachment-->

Pitch

N/A 2.609

Bolt Diameter (D)

N/A 0.31

Hole Diameter (D)

N/A 0.34

Bolt Diameter (D1)

N/A 0.38

Hole Diameter (D1)

N/A 0.41

Dimension (J)

N/A 2.12

Dimension (K)

N/A 1.94

Dimension (M)

N/A 4.12

Dimension (M1)

N/A 3.25

Dimension (P)

N/A 0.88

Dimension (R)

N/A 1.12

Dimension (T)

N/A 0.25

Dimension (T1)

N/A 0.38

Dimension (U)

N/A 1.38

Dimension (W)

N/A 4.88

Avg. Weight

N/A 6.0 lb/ft

Applications Served

N/A conveyors forest products high-temperature industrial ovens produce washdown sugar harvesting water treatment