Sorting Chains
Precision Roller Chains
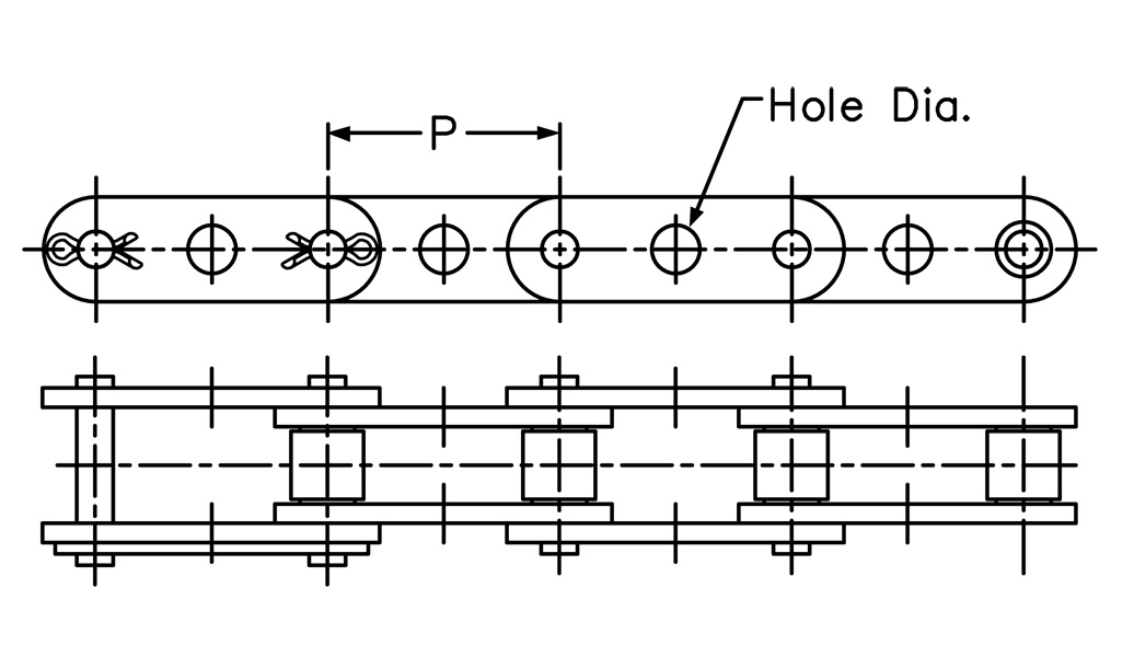
Sorting chains feature G-1 holes in the link plates, through which rods can be inserted for use with a wire mesh belt or in washing station conveyors. Parallel strands are typically used. Dimensions are given in inches.
Unit of Measure
View items
Item # |
Attachment |
Pitch |
Pin Inside Diameter (e) |
Avg. Weight |
|---|---|---|---|---|
| C2050 G-1 Sorting Chains | Attachment N/A G1 | Pitch N/A 1.250 | Pin Inside Diameter (e) N/A 0.250 | Avg. Weight N/A 0.53 lb/ft |
| C2060H G-1 Sorting Chains | Attachment N/A G1 | Pitch N/A 1.50 | Pin Inside Diameter (e) N/A 0.315 | Avg. Weight N/A 0.96 lb/ft |
| C2060H G-1 Sorting Chains | Attachment N/A G1 | Pitch N/A 1.250 | Pin Inside Diameter (e) N/A 0.330 | Avg. Weight N/A 0.95 lb/ft |
| C2080H G-1 Sorting Chains | Attachment N/A G1 | Pitch N/A 2.00 | Pin Inside Diameter (e) N/A 0.315 | Avg. Weight N/A 1.58 lb/ft |


