We are able to custom manufacture attachments per your specific request.
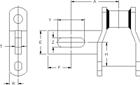
Dimensions are given in inches.
Dimensions are given in inches.
Unit of Measure
Specifications
Attachment No. |
N/A A225 |
Chain Number |
N/A WH124 |
Weight |
N/A 8.9 lb/ft |
Drawing |
N/A
Steel-Mill-A225 Attachment Drawing |
Dimension (A) |
N/A 4.00 |
Dimension (E) |
N/A 2.000 |
Dimension (F) |
N/A 1.94 |
Dimension (H) |
N/A 2.00 |
Dimension (R) |
N/A 0.75 |
Dimension (T) |
N/A .50 |
Dimension (Y) |
N/A 2.25 |
Dimension (Z) |
N/A 0.88 |

