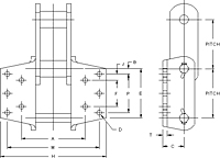
Dimensions are given in inches.
Unit of Measure
Specifications
Attachment No. |
N/A K443 |
Drawing |
N/A
SS864-K443 Attachment Drawing |
Pitch |
N/A 7.000 |
Dimension (A) |
N/A 9.00 |
Dimension (B) |
N/A 0.75 |
Dimension (C) |
N/A 3.00 |
Bolt Diameter (D) |
N/A 0.62 |
Hole Diameter (D) |
N/A 0.69 |
Dimension (E) |
N/A 7.00 |
Dimension (F) |
N/A 3.75 |
Dimension (H) |
N/A 15.00 |
Dimension (J) |
N/A 0.88 |
Dimension (M) |
N/A 13.00 |
Dimension (P) |
N/A 5.50 |
Dimension (T) |
N/A 0.62 |
Avg. Weight |
N/A 55.0 lb/ft |

