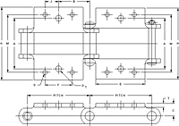
Dimensions are given in inches.
Unit of Measure
Specifications
Attachment No. |
N/A K1/K2 |
Drawing |
N/A
SS-Class-K1-K2 Attachment Drawing |
Pitch |
N/A 2.609 |
Dimension (A) |
N/A 3.75 |
Dimension (B) |
N/A 1.30 |
Dimension (C) |
N/A 0.81 |
Bolt Diameter (D) |
N/A 0.31 |
Hole Diameter (D) |
N/A 0.34 |
Bolt Diameter (D1) |
N/A 0.38 |
Hole Diameter (D1) |
N/A 0.41 |
Dimension (E) |
N/A 2.12 |
Dimension (F) |
N/A 1.250 |
Dimension (G) |
N/A 5.06 |
Dimension (H) |
N/A 5.12 |
Dimension (J) |
N/A 0.62 |
Dimension (M) |
N/A 4.19 |
Dimension (T) |
N/A 0.25 |
Avg. Weight |
N/A 5.7 lb/ft |

