Skip To Content

Catalog

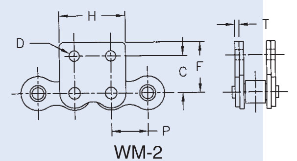
Dimensions are given in inches.
Unit of Measure

Specifications

Type

N/A Straight, Two Sides, Two Holes

Drawing

N/A Dimensions<!--WM-2-->

Pitch (P)

N/A 1.000

From Hole C.L. to Pin C.L. (C)

N/A 0.969

Hole Diameter (D)

N/A 0.265

From Top to Pin C.L. (F)

N/A 1.349

Extension Width (H)

N/A 1.916

Thickness (T)

N/A 0.125

Applications Served

N/A bakery ovens conveyors food processing packaging