Dimensions are given in inches.
Unit of Measure
Specifications
Type |
N/A One Hole, Two Sides |
Drawing |
N/A
Dimensions<!--Bent, Two Sides--> |
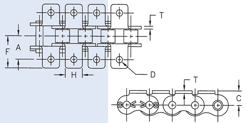
Pitch (P) |
N/A 2.00 |
From Hole C.L. to Chain C.L. (A) |
N/A 2.000 |
From End to Chain C.L. (F) |
N/A 2.812 |
From Top to Pin C.L. (C) |
N/A 1.250 |
Hole Diameter (D) |
N/A 0.516 |
Attach. Extension Width (H) |
N/A 1.500 |
Thickness (T) |
N/A 0.250 |
Note |
N/A Extensions are staggered on chains 100 through 160. |

