Skip To Content

Catalog

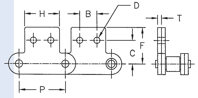
Dimensions are given in inches.
Unit of Measure

Specifications

Type

N/A One Side, Two Holes, Standard Roller

Drawing

N/A Dimensions<!--Double Pitch Straight One Side Two Hole-->

Pitch (P)

N/A 1.000

From Hole C.L. to Pin C.L. (C)

N/A 0.531

From Hole C.L. to Hole C.L. (B)

N/A 0.375

Hole Diameter (D)

N/A 0.140

From Top to Pin C.L. (F)

N/A 0.759

Extension Width (H)

N/A 0.750

Thickness (T)

N/A 0.058

Applications Served

N/A bakery ovens conveyors food processing packaging