Skip To Content

Catalog

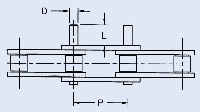
Dimensions are given in inches.
Unit of Measure

Specifications

Type

N/A One Side, Double Pin, Large Size Roller

Drawing

N/A Dimensions<!--Extended Double Pin One Side-->

Pitch (P)

N/A 1.000

Pin Diameter (D)

N/A 0.156

Pin Projection (L)

N/A 0.375

Applications Served

N/A bakery ovens conveyors food processing packaging