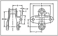
Dimensions are given in inches.
Unit of Measure
Specifications
Attachment No. |
N/A G1 |
Drawing |
N/A
477-G1 Attachment Drawing |
Pitch |
N/A 2.308 |
Bolt Diameter (D) |
N/A 0.31 |
Hole Diameter (D) |
N/A 0.34 |
Dimension (G) |
N/A 1.44 |
Dimension (J) |
N/A 1.75 |
Dimension (K) |
N/A 1.12 |
Dimension (M) |
N/A 2.62 |
Dimension (P) |
N/A 3.50 |
Dimension (R) |
N/A 1.31 |
Dimension (T) |
N/A 0.25 |
Avg. Weight |
N/A 3.7 lb/ft |

