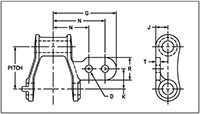
Dimensions are given in inches.
Unit of Measure
Specifications
Attachment No. |
N/A A12 |
Drawing |
N/A
462-A12 Attachment Drawing |
Pitch |
N/A 1.634 |
Bolt Diameter (D) |
N/A 0.25 |
Hole Diameter (D) |
N/A 0.28 |
Dimension (G) |
N/A 2.44 |
Dimension (J) |
N/A 0.44 |
Dimension (K) |
N/A 0.78 |
Dimension (N) |
N/A 2.00 |
Dimension (N1) |
N/A 1.38 |
Dimension (R) |
N/A 0.88 |
Dimension (T) |
N/A 0.19 |
Avg. Weight |
N/A 3.0 lb/ft |
Type |
N/A Left hand Attachment |
Note |
N/A "R" and "L" suffixes in Moline Attachment Nos. designate right hand and left hand attachments. |

