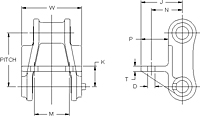
Dimensions are given in inches.
Unit of Measure
Specifications
Attachment No. |
N/A F2 |
Drawing |
N/A
455-F2 Attachment Drawing |
Pitch |
N/A 1.630 |
Bolt Diameter (D) |
N/A 0.19 |
Hole Diameter (D) |
N/A 0.22 |
Dimension (J) |
N/A 1.28 |
Dimension (K) |
N/A 0.62 |
Dimension (M) |
N/A 1.06 |
Dimension (N) |
N/A 0.94 |
Dimension (P) |
N/A 0.91 |
Dimension (T) |
N/A 0.16 |
Dimension (W) |
N/A 1.50 |
Avg. Weight |
N/A 2.0 lb/ft |

