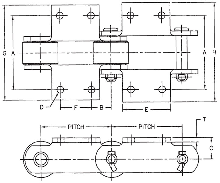
Dimensions are given in inches.
Unit of Measure
Specifications
Drawing |
N/A
MSR-Class-K2 Attachment Drawing |
Pitch |
N/A 6.000 |
Dimension (A) |
N/A 4.38 |
Dimension (B) |
N/A 1.50 |
Dimension (C) |
N/A 1.62 |
Bolt Diameter (D) |
N/A .50 |
Hole Diameter (D) |
N/A .56 |
Dimension (E) |
N/A 4.38 |
Dimension (F) |
N/A 3.00 |
Dimension (G) |
N/A 5.81 |
Dimension (T) |
N/A .50 |
Avg. Weight |
N/A 12.0 lb/ft |

