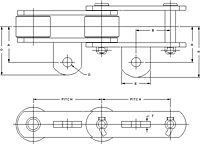
Dimensions are given in inches.
Unit of Measure
Specifications
Attachment No. |
N/A A42 |
Drawing |
N/A
MSR-Class-A42 Attachment Drawing |
Pitch |
N/A 4.000 |
Dimension (A) |
N/A 1.62 |
Dimension (B) |
N/A 2.00 |
Bolt Diameter (D) |
N/A 0.38 |
Hole Diameter (D) |
N/A 0.41 |
Dimension (E) |
N/A 1.25 |
Dimension (G) |
N/A 2.12 |
Dimension (H) |
N/A 2.12 |
Dimension (T) |
N/A 0.38 |
Avg. Weight |
N/A 3.7 lb/ft |

