Skip To Content

Catalog

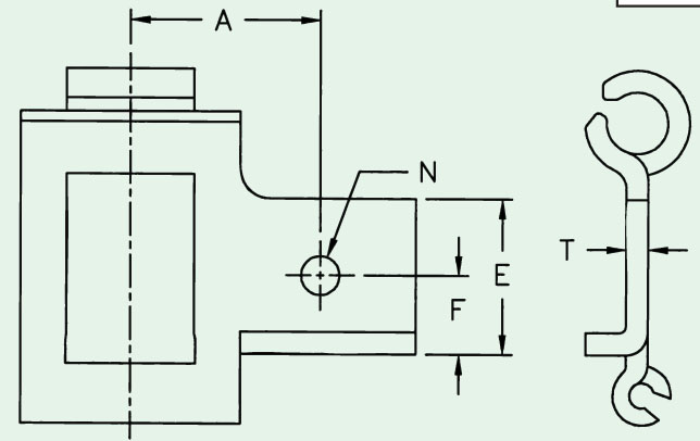
Dimensions are given in inches.
Unit of Measure

Specifications

Chain Size

N/A S

Attachment No.

N/A B

Drawing

N/A Dimensions<!--SB-->

Dimension (A)

N/A 1.625

Dimension (E)

N/A 1.313

Dimension (F)

N/A 0.656

Dimension (N)

N/A 0.328

Dimension (T)

N/A 0.170

Type

N/A Right and Left

Applications Served

N/A agriculture conveyors manure spreaders