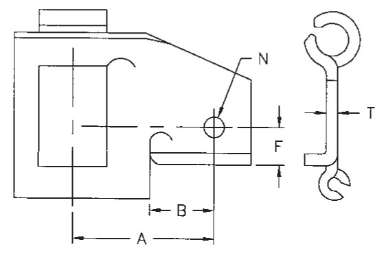
Dimensions are given in inches.
Unit of Measure
Specifications
Chain Size |
N/A 67H |
Attachment No. |
N/A AE |
Drawing |
N/A
Dimensions<!--AE & AE3--> |
Dimension (A) |
N/A 2.031 |
Dimension (B) |
N/A 0.906 |
Dimension (F) |
N/A 0.563 |
Dimension (N) |
N/A 0.328 |
Dimension (T) |
N/A 0.185 |
Type |
N/A Right and Left |

