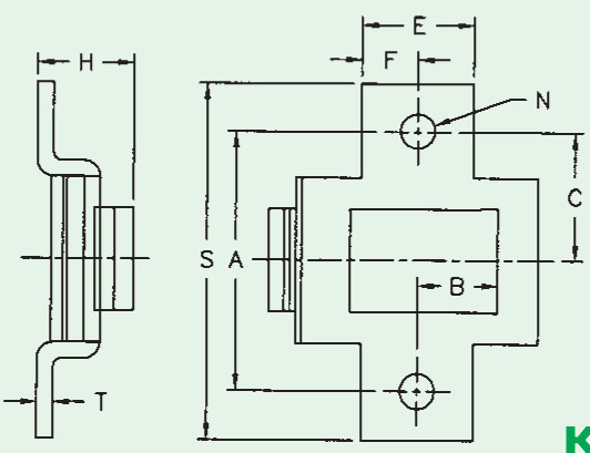
Dimensions are given in inches.
Unit of Measure
Specifications
Chain Size |
N/A 62 |
Attachment No. |
N/A K1 |
Drawing |
N/A
Dimensions<!--55K1--> |
Dimension (A) |
N/A 2.469 |
Dimension (B) |
N/A 0.625 |
Dimension (C) |
N/A 1.234 |
Dimension (E) |
N/A 0.875 |
Dimension (F) |
N/A 0.438 |
Dimension (H) |
N/A 0.578 |
Dimension (N) |
N/A 0.266 |
Dimension (S) |
N/A 3.250 |
Dimension (T) |
N/A 0.148 |

