Skip To Content

Catalog

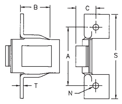
Dimensions are given in inches.
Unit of Measure

Specifications

Chain Size

N/A 55

Attachment No.

N/A SH

Drawing

N/A Dimensions<!--SD-SE-SH-->

Dimension (A)

N/A 2.25

Dimension (B)

N/A 1.125

Dimension (C)

N/A 0.781

Dimension (N)

N/A 0.281

Dimension (S)

N/A 3.250

Dimension (T)

N/A 0.125

Applications Served

N/A agriculture combines conveyors