Skip To Content

Catalog

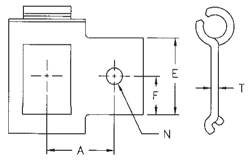
Dimensions are given in inches.
Unit of Measure

Specifications

Chain Size

N/A 55

Attachment No.

N/A A1

Drawing

N/A Dimensions<!--A1 Right & Left-->

Dimension (A)

N/A 1.125

Dimension (E)

N/A 1.063

Dimension (F)

N/A 0.531

Dimension (N)

N/A 0.266

Dimension (T)

N/A 0.125

Type

N/A Right and Left

Applications Served

N/A agriculture conveyors manure spreaders