Skip To Content

Catalog

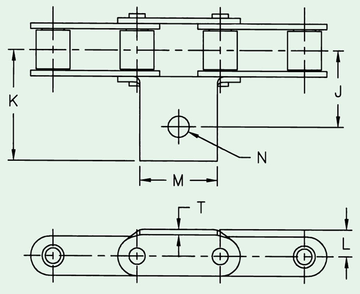
Dimensions are given in inches.
Unit of Measure

Specifications

Chain Size

N/A CA557

Attachment No.

N/A A4

Drawing

N/A Dimensions<!--A4-->

Dimension (J)

N/A 1.500

Dimension (K)

N/A 2.156

Dimension (M)

N/A 1.50

Dimension (N)

N/A 0.406

Dimension (T)

N/A 0.187

Applications Served

N/A agriculture conveyors corn gathering elevator feed stations feeder house forage harvesters and baggers grain handling manure spreaders