Skip To Content

Catalog

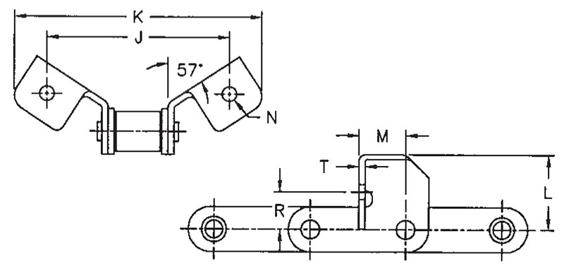
Dimensions are given in inches.
Unit of Measure

Specifications

Chain Size

N/A CA550

Attachment No.

N/A F5

Drawing

N/A Dimensions<!--F5-->

Dimension (J)

N/A 3.125

Dimension (K)

N/A 4.000

Dimension (M)

N/A 0.797

Dimension (N)

N/A 0.234

Dimension (R)

N/A 0.625

Dimension (T)

N/A 0.105

Applications Served

N/A agriculture clean grain and return elevators flight conveyors grain handling