Skip To Content

Catalog

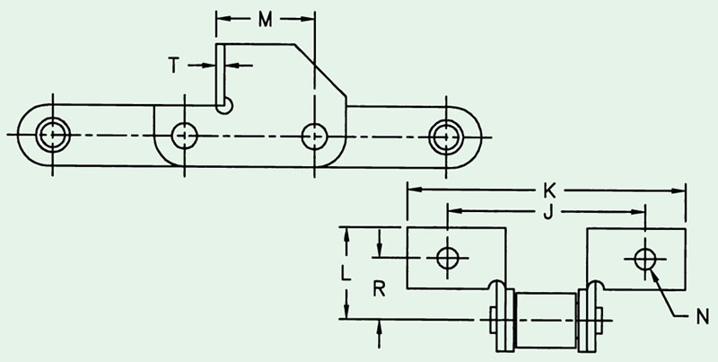
Dimensions are given in inches.
Unit of Measure

Specifications

Chain Size

N/A CA550

Attachment No.

N/A F1

Drawing

N/A Dimensions<!--F1-->

Dimension (J)

N/A 2.438

Dimension (K)

N/A 3.438

Dimension (M)

N/A 1.25

Dimension (N)

N/A 0.266

Dimension (R)

N/A 0.75

Dimension (T)

N/A 0.105

Applications Served

N/A agriculture clean grain and return elevators flight conveyors grain handling