Skip To Content

Catalog

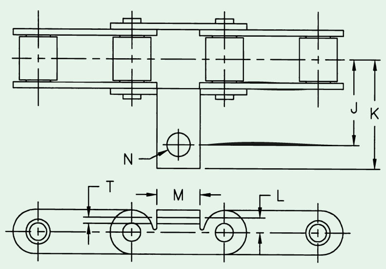
Dimensions are given in inches.
Unit of Measure

Specifications

Chain Size

N/A CA550

Attachment No.

N/A A1D

Drawing

N/A Dimensions<!--A1D-->

Dimension (J)

N/A 1.469

Dimension (K)

N/A 1.875

Dimension (M)

N/A 0.750

Dimension (N)

N/A 0.344

Dimension (T)

N/A 0.150

Applications Served

N/A agriculture conveyors corn gathering elevator feed stations feeder house forage harvesters and baggers grain handling manure spreaders