Skip To Content

Catalog

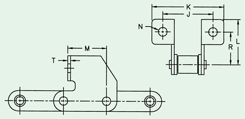
Dimensions are given in inches.
Unit of Measure

Specifications

Chain Size

N/A CA550

Attachment No.

N/A F4

Drawing

N/A Dimensions<!--F4, F4S, F4A-->

Dimension (J)

N/A 1.875

Dimension (K)

N/A 2.688

Dimension (M)

N/A 1.453

Dimension (N)

N/A 0.328

Dimension (R)

N/A 1.219

Dimension (T)

N/A 0.105

Applications Served

N/A agriculture clean grain and return elevators flight conveyors grain handling