Skip To Content

Catalog

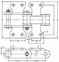
Dimensions are given in inches.
Unit of Measure

Specifications

Drawing

N/A Dimensions<!--K2 Combination Chain-->

Pitch

N/A 4.760

Bolt Diameter (D)

N/A .50

Hole Diameter (D)

N/A .56

Dimension (J)

N/A 1.12

Dimension (K)

N/A 2.38

Dimension (M)

N/A 6.25

Dimension (M1)

N/A 2.31

Dimension (R)

N/A 3.50

Dimension (R1)

N/A 3.56

Dimension (T)

N/A 0.310

Dimension (T1)

N/A 0.38

Dimension (W)

N/A 7.50

Dimension (W1)

N/A 7.69

Avg. Weight

N/A 12.3 lb/ft

Applications Served

N/A bucket elevators conveyors flight conveyors forest products grain handling sugar processing