Skip To Content

Catalog

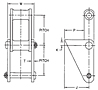
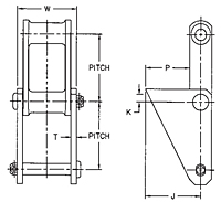
Dimensions are given in inches.
Unit of Measure

Specifications

Drawing

N/A Dimensions<!--S1 Combination Chain-->

Pitch

N/A 4.040

Dimension (J)

N/A 3.75

Dimension (K)

N/A 1.00

Dimension (P)

N/A 2.88

Dimension (T)

N/A 0.38

Dimension (W)

N/A 3.72

Avg. Weight

N/A 12.2 lb/ft

Note

N/A Attachment every 2nd pitch.

Applications Served

N/A bucket elevators conveyors flight conveyors forest products grain handling sugar processing