Skip To Content

Catalog

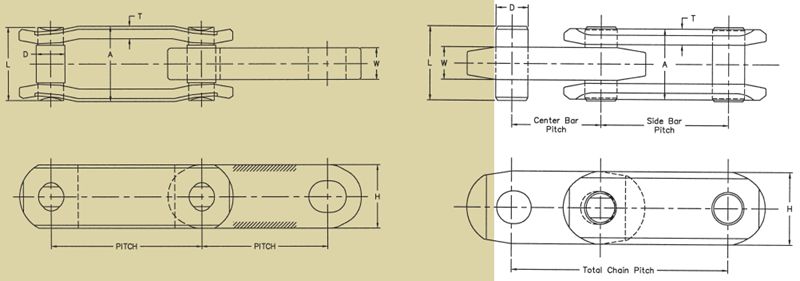
Double-Flex Chain rotates on two planes, making it ideal for running in multi-directional applications. Its design allows maximum flexibility, allowing it to travel around corners or obstacles.

Dimensions are given in inches.
Unit of Measure

Specifications

Drawing

N/A Dimensions<!--Double Flex Chains-->

Pitch

N/A 2.500 3.000

Overall Chain Width (A)

N/A 1.50

Inside Link Chain Width (W)

N/A 0.63

Link Plate (T)

N/A 0.250

Link Plate (H)

N/A 1.25

Pin (D)

N/A 0.57

Pin (L)

N/A 1.46

Max. Allowable Work Load

N/A 4,000 lb

Avg. Tensile Strength

N/A 33,000 lb

Min. Flex Radius

N/A 20.00

Approx. Weight

N/A 3.3 lb/ft

Applications Served

N/A bottling case conveyors conveyors dairy handling heavy duty conveyors material handling