Double Pitch Bent, Two Sides Attachment
Precision Roller Chain Attachments
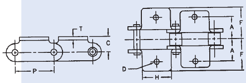
Dimensions are given in inches.
Unit of Measure
| Items |
/Asset/1062.gif C2040 K-1 Double Pitch Bent, Two Sides Attachment |
/Asset/1062.gif C2050 K-1 Double Pitch Bent, Two Sides Attachment |
/Asset/1062.gif C2060H K-1 Double Pitch Bent, Two Sides Attachment |
/Asset/1062.gif C2080H K-1 Double Pitch Bent, Two Sides Attachment |
/Asset/1062.gif C2100H K-1 Double Pitch Bent, Two Sides Attachment |
|||||
| Type | N/A Two Sides, One Hole, Standard Roller | |||||||||
| Drawing |
N/A
Dimensions<!--Double Pitch Bent, Two Side One Hole--> |
|||||||||
| Pitch (P) | N/A 1.000 | N/A 1.250 | N/A 1.50 | N/A 2.00 | N/A 2.500 | |||||
| From Hole C.L. to Chain C.L. (A) | N/A 0.500 | N/A 0.625 | N/A 0.844 | N/A 1.094 | N/A 1.312 | |||||
| From Hole C.L. to Hole C.L. (B) | N/A 0.375 | N/A 0.469 | N/A 0.562 | N/A 0.750 | N/A 0.938 | |||||
| From Top to Pin C.L. (C) | N/A 0.359 | N/A 0.438 | N/A 0.578 | N/A 0.750 | N/A 0.922 | |||||
| Hole Diameter (D) | N/A 0.140 | N/A 0.203 | N/A 0.203 | N/A 0.265 | N/A 0.328 | |||||
| From End to Chain C.L. (F) | N/A 0.742 | N/A 0.945 | N/A 1.204 | N/A 1.516 | N/A 1.966 | |||||
| Extension Width (H) | N/A 0.750 | N/A 1.000 | N/A 1.126 | N/A 1.501 | N/A 1.876 | |||||
| Thickness (T) | N/A 0.058 | N/A 0.079 | N/A 0.125 | N/A 0.157 | N/A 0.189 | |||||
| Note | N/A | N/A | N/A | N/A | N/A Extensions are staggered on chains C2100H, C2120H and C2160H. | |||||
| Applications Served | N/A bakery ovens conveyors food processing packaging | |||||||||
|
|
||||||||||
