MSR Class Bushed Roller Steel Chain Attachments
MSR Class Steel Bushed Roller Chain Attachments
Dimensions are given in inches.
Unit of Measure
| Items |
/Asset/MSR-Class-A1.jpg MSR4328-A1 Bushed Roller Steel Chain Attachments |
/Asset/MSR-Class-A2.jpg MSR1114-A2 Bushed Roller Steel Chain Attachments |
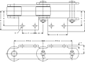
/Asset/MSR-Class-A2.jpg MSR1116-A2 Bushed Roller Steel Chain Attachments |
/Asset/MSR-Class-A2.jpg MSR1539-A2 Bushed Roller Steel Chain Attachments |
/Asset/MSR-Class-A2.jpg MSR2188-A2 Bushed Roller Steel Chain Attachments |
|||||
| Attachment No. | N/A A1 | N/A A2 | N/A A2 | N/A A2 | N/A A2 | |||||
| Drawing |
N/A
MSR-Class-A1 Attachment Drawing |
N/A
MSR-Class-A2 Attachment Drawing |
N/A
MSR-Class-A2 Attachment Drawing |
N/A
MSR-Class-A2 Attachment Drawing |
N/A
MSR-Class-A2 Attachment Drawing |
|||||
| Pitch | N/A 4.000 | N/A 6.000 | N/A 6.000 | N/A 3.075 | N/A 4.000 | |||||
| Dimension (A) | N/A 2.00 | N/A 2.00 | N/A 2.00 | N/A 2.00 | N/A 1.81 | |||||
| Dimension (B) | N/A 2.00 | N/A 2.00 | N/A 2.00 | N/A 0.59 | N/A 1.12 | |||||
| Dimension (C) | N/A 1.25 | N/A 1.12 | N/A 1.12 | N/A 1.25 | N/A 1.00 | |||||
| Bolt Diameter (D) | N/A .50 | N/A 0.38 | N/A 0.38 | N/A 0.31 | N/A .50 | |||||
| Hole Diameter (D) | N/A .56 | N/A 0.41 | N/A 0.41 | N/A 0.34 | N/A .56 | |||||
| Bolt Diameter (D1) | N/A | |||||||||
| Hole Diameter (D1) | N/A | |||||||||
| Dimension (E) | N/A 2.000 | N/A 3.50 | N/A 3.50 | N/A 2.750 | N/A 3.00 | |||||
| Dimension (F) | N/A | N/A 2.00 | N/A 2.00 | N/A 1.88 | N/A 1.750 | |||||
| Dimension (G) | N/A 2.78 | N/A 2.56 | N/A 2.56 | N/A 2.50 | N/A 2.66 | |||||
| Dimension (H) | N/A 2.94 | N/A 2.92 | N/A 2.62 | N/A 2.59 | N/A 2.75 | |||||
| Dimension (J) | N/A | |||||||||
| Dimension (K) | N/A | |||||||||
| Dimension (T) | N/A 0.38 | N/A 0.310 | N/A 0.25 | N/A 0.310 | N/A 0.310 | |||||
| Avg. Weight | N/A 11.2 lb/ft | N/A 8.5 lb/ft | N/A 6.0 lb/ft | N/A 8.0 lb/ft | N/A 7.90 lb/ft | |||||
| Applications Served | N/A bakery ovens bucket elevators citrus processing conveyors food processing heavy duty conveyors material handling recycling roofing plants steel mills | N/A bakery ovens bucket elevators citrus processing conveyors food processing heavy duty conveyors material handling recycling roofing plants steel mills | N/A bakery ovens bucket elevators citrus processing conveyors food processing heavy duty conveyors material handling recycling roofing plants steel mills | N/A bakery ovens bucket elevators citrus processing conveyors food processing heavy duty conveyors material handling recycling roofing plants steel mills | N/A bakery ovens bucket elevators citrus processing conveyors food processing heavy duty conveyors material handling recycling roofing plants steel mills sugar processing | |||||
|
|
||||||||||



