MSR Class Bushed Roller Steel Meat Packing Chains
MSR Class Bushed Roller Steel Chains
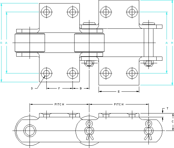
The unique design of this chain offers a lower coefficient of rolling friction and greater corrosion resistance. Lubrication is not required. In addition to the meat packing industry, this chain is also appropriate for many other applications, particularly in food processing.
Dimensions are given in inches.
Dimensions are given in inches.
Unit of Measure
| Items |
/Asset/MSR-class-bushed-roller-steel-meat-packing-chains.jpg MSR3420 4.040" Pitch Chain |
/Asset/MSR-class-bushed-roller-steel-meat-packing-chains.jpg MSR6272 6.000" Pitch Chain |
||
| Drawing |
N/A
MSR-Class-Meat-Packing Drawing |
|||
| Pitch | N/A 4.040 | N/A 6.000 | ||
| Overall Width - Cottered (C2) | N/A 3.25 | |||
| Diameter of Pin (E) | N/A 0.625 | |||
| Height of Sidebar (H) | N/A 1.50 | |||
| Diameter of Roller (H) | N/A 2.00 | N/A 2.25 | ||
| Head of Pin to Center Line (J) | N/A 1.50 | |||
| End of Pin to Center Line - Cottered (K) | N/A 1.75 | |||
| Thickness of Sidebar (T) | N/A 0.31 | |||
| Distance Between Sidebars (W) | N/A 1.31 | |||
| Length of Bushing (X) | N/A 1.94 | |||
| Avg. Ultimate Strength | N/A 28,000 lb | |||
| Max. Recommended Working Load | N/A 3,150 lb | |||
| Links per 10' | N/A 30 | N/A 20 | ||
| Avg. Weight | N/A 11.4 lb/ft | N/A 9.2 lb/ft | ||
| Rollers | N/A Carbon Steel, Case Hardened Electro-galvanized | |||
| Roller Insert | N/A Plastic | |||
| Pins | N/A Carbon Steel, Case Hardened Electro-galvanized | |||
| Sidebars | N/A Carbon Steel Electro-galvanized | |||
| Bushings | N/A Stainless Steel, Heat Treated | |||
| Cotter | N/A Stainless Steel Wire Cotter | |||
| Attachment Available | N/A K2 Only | |||
| Chain Construction | N/A Cottered Only | |||
| Applications Served | N/A bucket elevators conveyors food processing heavy duty conveyors material handling meat packing | |||
|
|
||||


